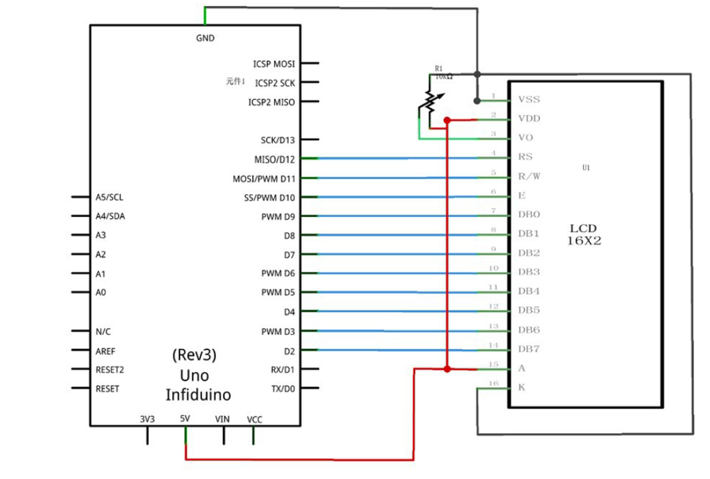
IoT prakticky – snímanie analógových veličín a zobrazovanie na displeji
Veľa aplikácií pre Arduino potrebuje priebežne, alebo v prípade potreby zobrazovať informácie a možnosť zobrazovania sa hodí aj pri ladení aplikácie, napríklad na vypísanie informácií o aktuálnom stave, hodnotách premenných a podobne. Tento diel bude zameraný aj na snímanie hodnôt z analógových vstupov a tam sa možnosť výpisu aktuálnych hodnôt obzvlášť hodí.
Praktické ukážky k téme článku sú na videu
Pri ladení aplikácie môže doska Arduino generovať textový výstup cez sériové rozhranie, konkrétne cez USB, po tom istom kábli pomocou ktorého Arduino programujete. Ukážeme príklad najjednoduchšej sériovej komunikácie. Najskôr vypíšeme statický text.
void setup() {
// inicializácia sériovej komunikácie
Serial.begin(9600);
}
void loop() {
Serial.println("Ahoj ja som ...
Článok je uzamknutý
Prihlásiť pomocou členstva NEXTECH
Zobrazit Galériu
Článok je uzamknutý
Pokračovanie článku patrí k prémiovému obsahu pre predplatiteľov. S digitálnym predplatným už od 10 € získate neobmedzený prístup k uzamknutému obsahu na celý rok. Objednať si ho môžete TU. Ak ho už máte prihláste sa TU
Prihlásiť pomocou členstva NEXTECH